
Científicos han desarrollado un material como una esponja, con largas y microscópicas bolsas de aire, que usa la luz solar y una cubierta de plástico para convertir el agua salada en agua dulce.
La mayor parte del agua de la Tierra se encuentra en los océanos y es demasiado salada para beber. Las plantas de desalinización pueden potabilizar el agua de mar, pero requieren grandes cantidades de energía.
Publicada en la revista ACS Energy Letters, una prueba de concepto al aire libre del nuevo sistema produjo con éxito agua potable con luz solar natural, un paso hacia la desalinización sostenible y de bajo consumo energético.
Esta no es la primera vez que científicos crean materiales esponjosos que utilizan la luz solar como fuente de energía sostenible para limpiar o desalinizar agua. Por ejemplo, un hidrogel inspirado en la lufa con polímeros en sus poros se probó en agua contaminada con cromo y, al calentarse con el sol, liberó rápidamente vapor de agua limpio y recogible mediante evaporación.
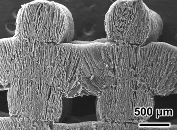
AEROGEL POROSO
Sin embargo, mientras que los hidrogeles son blandos y están llenos de líquido, los aerogeles son más rígidos y contienen poros sólidos que pueden transportar agua líquida o vapor de agua. Los aerogeles se han probado como método de desalinización, pero su capacidad de evaporación disminuye a medida que aumenta el tamaño del material. Por ello, Xi Shen y sus colegas se propusieron diseñar un aerogel poroso para desalinización que mantuviera su eficiencia a diferentes tamaños.
Los investigadores crearon una pasta con nanotubos de carbono y nanofibras de celulosa y la imprimieron en 3D sobre una superficie congelada, permitiendo que cada capa se solidificara antes de añadir la siguiente. Este proceso formó un material esponjoso con pequeños orificios verticales distribuidos uniformemente, cada uno de unos 20 micrómetros de ancho.
Probaron piezas cuadradas del material, con tamaños que iban desde 1 centímetro de ancho hasta aproximadamente 8 centímetros de ancho, y descubrieron que las piezas más grandes liberaban agua por evaporación con la misma eficiencia que las más pequeñas.
En una prueba al aire libre, los investigadores colocaron el material en un vaso con agua de mar y lo cubrieron con una tapa de plástico transparente y curva. La luz solar calentó la superficie del material esponjoso, evaporando solo el agua, sin la sal, en vapor. El vapor se acumuló en la cubierta de plástico en forma líquida, desplazando el agua, ahora limpia, hacia los bordes, donde goteó en un embudo y un recipiente debajo del vaso. Tras 6 horas de exposición a la luz solar natural, el sistema generó aproximadamente 3 cucharadas de agua potable.
"Nuestro aerogel permite la desalinización a plena capacidad en cualquier tamaño", afirma Shen, "lo que proporciona una solución sencilla y escalable para la desalinización sin consumo de energía y la producción de agua limpia".
Últimas Noticias
Australia y Japón no enviarán por ahora barcos para proteger la navegación en el estrecho de Ormuz
Ante el bloqueo impuesto por Irán en aguas estratégicas, tanto autoridades australianas como japonesas descartan sumarse por el momento a cualquier despliegue naval internacional de apoyo, pese a la reciente solicitud lanzada por Washington a varios aliados

Trump augura que la OTAN enfrentará "muy mal futuro" si los aliados no ayudan a EEUU a desbloquear Ormuz
El mandatario de Estados Unidos intensificó la presión sobre países europeos y asiáticos para que participen en una operación naval destinada a reabrir la importante vía marítima de Ormuz, bloqueada por fuerzas iraníes tras una ofensiva reciente

Los Oscar coronan a Paul Thomas Anderson: 'Una batalla tras otra' manda con seis premios y 'Sirat' se va de vacío
El cineasta estadounidense agradeció emocionado los galardones, entre ellos mejor dirección y guión adaptado, mientras la producción española se quedó sin reconocimiento y las categorías principales confirmaron el favoritismo de títulos que marcaron esta edición

Reino Unido condena a Hezbolá y ve "inaceptable" el desplazamiento forzado de libaneses por ataques israelíes
La canciller británica expresó su respaldo a las autoridades de Beirut, repudió la violencia contra civiles, anunció fondos de emergencia para ayuda humanitaria y llamó a frenar hostilidades, advirtiendo que el crecimiento del conflicto tendría consecuencias devastadoras para la población

Australia y Japón confirman que no enviarán barcos para proteger la navegación en el estrecho de Ormuz
Canberra y Tokio han descartado desplegar fuerzas navales en la zona estratégica, pese a la presión internacional y los recientes ataques atribuidos a Irán, mientras crece la incertidumbre entre los países importadores ante posibles interrupciones en el suministro energético
